nůžkový zvedák WERTHER STRATOS S39

Nůžkový zvedák WERTHER STRATOS S39

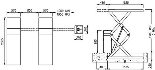
nůžkový hydraulický zvedák WERTHER STRATOS S39 s montáží do podlahy
čtyřpístové provedení s automatickou hydraulickou synchronizací plošin
nosnost 4 000 Kg, max. zdvih 1 900 mm
délka plošin 1 525 - 2 005 mm
vzdálenost mezi plošinami 800 mm
celková šířka 1 940 mm
šířka plošin 570 mm
motor 2,2 kW, napájení 400 V / 50 Hz
hmotnost zvedáku 730 Kg
certifikace TÜV SUD a CE
italský výrobce WERTHER s tradicí 50 let

Cena   204 500   Kč   +   DPH